info@service-marine.ru

Seakeeper 9

Для катеров и моторных яхт от 15 до 18 метров

Вес: 550 кг.

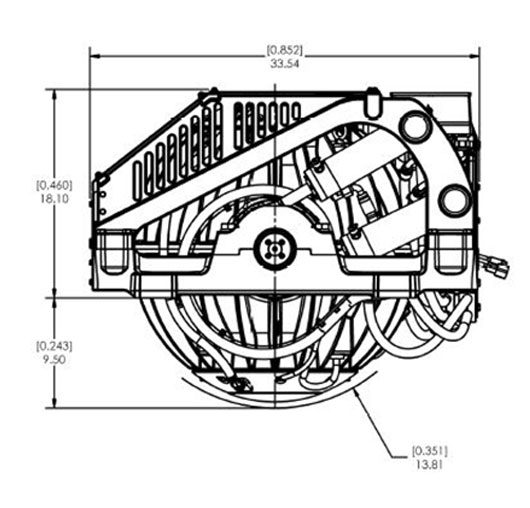
Габариты: 0,852×0,903×0,708 м.

Образцом для устройства послужила модель М 7000. Надежный и еще более совершенный, Seakeeper 9 навсегда изменил качество пребывания на воде. Разработан для стабилизации яхт и судов от 15 до 18 метров, водоизмещением до 30 тонн.

Цены с учётом доставки в РФ и таможенного оформления на 2022 год: 

Цена без установки:    Цена с установкой : 

                                           По запросу 

111 900 $

ИННОВАЦИОННАЯ СИСТЕМА ОХЛАЖДЕНИЯ

Запатентованная система охлаждения позволяет устройству работать на высокой скорости, что обеспечивает оптимальную производительность даже наиболее компактного и легкого стабилизатора.

АКТИВНОЕ УПРАВЛЕНИЕ

Активное управление Seakepeeper оптимизирует крутящий момент гироскопа, обеспечивая высокий уровень производительности. В отличие от пассивно управляемого гироскопа, который должен быть выключен в самых сложных условиях и /или на более высоких скоростях, Seakeeper эффективен на всех скоростях и может использоваться во всех морских условиях.

ВОДОНЕПРОНИЦАЕМЫЙ КОРПУС

Основные узлы устройства (подшипники, двигатель) надежно изолированы от воздействия среды. Это позволяет механизму работать в три раза быстрее, на 2/3 снижает вес и в два раза повышает экономичность.

Характеристики

Расчетная (заявленная) скорость9,000 RPM
Вращательный момент (угол наклона в заявленном RPM)9,000 N-M-S
Максимальный крутящий момент при расчетных оборотах18,810 N-M
Время разгона до расчетных оборотов55 minutes (9,000 RPM)
Время от начала работы до стабилизации38 minutes (7,650 RPM)
Мощность разгона
AC Motor3000 Watts Max
DC Control240 Watts
Рабочая мощность
AC Motor (sea state dependent)1500 — 2000 Watts
DC Control240 Watts
Входное напряжение переменного тока208 — 230 VAC (+/- 10%), 50/60 Hz, Single Phase
Входное напряжение постоянного тока24 VDC @ 10 Amps
Вес1,210 lbs (550 kg)
Габариты33.5 L x 35.6 W x 28.3 H (inches)
0.852 L x 0.903 W x 0.720 H (meters)
Уровень шума68-70 dBC at 1 meter
Подача воды30 LPM (8 GPM) maximum
15 LPM (4 GPM) minimum
Температура воздуха0°-60° C (32° — 140° F)

Гарантия мореплавателя

Модель Seakeeper поставляется с заводской гарантией 2 года или 2000 часов

Остались вопросы? 

г. Долгопрудный ул. Московская д. 46 

©Мы в социальных сетях